Categories
- Support & Resources (31)
- Pipes & Fittings (35)
- Valves & Pumps (70)
- Instruments & Tools (23)
- Equipment, Chemicals & Consumables (25)
Metalsin is a leading supplier of high-performance ductile iron resilient-seal gate valves (RSV) for South African waterworks projects. Engineered in strict accordance with the SANS/SABS 664 standard, our valves provide reliable service for both water supply and water treatment applications.

SANS/SABS 664 resilient-seal gate valves with non-rising stem or rising stem, for waterworks in South Africa.
Our resilient-seated gate valves are available in both rising stem (RS) and non-rising stem (NRS) configurations. To ensure maximum structural integrity and leak prevention, the ductile iron RSV features flanged ends that are integrally cast with the valve body. Dimensions and drilling follow SANS/SABS 1123 Table 1000/1B (PN 10) or Table 1600/1B (PN 16) specifications. To meet diverse operational requirements, Metalsin provides several actuation options: handwheel, top cap nut & T-key (standard for buried service), gearbox, electric or pneumatic actuators.
The front faces of flanges—available in Flat Face (FF) or Raised Face (RF)—are fully machined to be parallel to each other and normal (perpendicular) to the centerline of the valve bore. To facilitate professional bolting, the back of each flange is spot-faced coaxially with each bolt hole. This creates a flat, clean surface large enough to freely accommodate the washer and nut, ensuring even torque distribution.
In compliance with SANS 1123, all bolt holes are drilled in a uniform, off-center pattern. The axis of every bolt hole is normal to the front face of the flange to ensure perfect alignment during pipe fitting. These end flanges conform precisely to SANS/SABS 1123, available in two primary pressure ratings:
The “1B” designation specifically signifies that the ductile iron flange is cast integrally with the valve body. This construction method offers superior strength and reliability compared to attached flanges, making it the preferred choice for municipal and industrial waterworks.

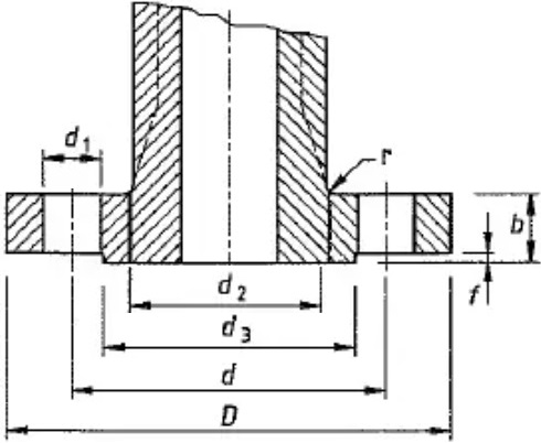
Technical drawing of SANS/SABS 1123 ductile iron integral flanges. D – outside diameter of flange; b – flange thickness; d3 – diameter of raised face; f – height of raised face; d1 – diameter of bolt hole; d – pitch circle diameter (PCD); d2 – root diameter of neck; r – fillet radius.
| DN | D mm | b mm | d3 mm | f mm |
|---|---|---|---|---|
| 50 | 165 | 19.0 | 99 | 3 |
| 65 | 185 | 19.0 | 118 | 3 |
| 80 | 200 | 19.0 | 132 | 3 |
| 100 | 220 | 19.0 | 156 | 3 |
| 150 | 285 | 19.0 | 211 | 3 |
| 200 | 340 | 20.0 | 266 | 3 |
| 250 | 395 | 22.0 | 319 | 3 |
| 300 | 445 | 24.5 | 370 | 4 |
| 400 | 565 | 24.5 | 480 | 4 |
| 450 | 615 | 25.5 | 530 | 4 |
| 500 | 670 | 26.5 | 582 | 4 |
| 600 | 780 | 30.0 | 682 | 5 |
| 700 | 895 | 32.5 | 794 | 5 |
| 800 | 1015 | 35.0 | 901 | 5 |
| 900 | 1115 | 37.5 | 1001 | 5 |
| 1000 | 1230 | 40.0 | 1112 | 5 |
| DN | n x d1 mm | d mm | d2 mm | r mm |
|---|---|---|---|---|
| 50 | 4 x Φ18 | 125 | 84 | 5 |
| 65 | 4 x Φ18 | 145 | 104 | 6 |
| 80 | 8 x Φ18 | 160 | 120 | 6 |
| 100 | 8 x Φ18 | 180 | 140 | 6 |
| 150 | 8 x Φ22 | 240 | 190 | 8 |
| 200 | 8 x Φ22 | 295 | 246 | 8 |
| 250 | 12 x Φ22 | 350 | 298 | 10 |
| 300 | 12 x Φ22 | 400 | 348 | 10 |
| 400 | 16 x Φ26 | 515 | 456 | 10 |
| 450 | 20 x Φ26 | 565 | 502 | 12 |
| 500 | 20 x Φ26 | 620 | 559 | 12 |
| 600 | 24 x Φ26 | 725 | 658 | 12 |
| 700 | 24 x Φ26 | 840 | 772 | 12 |
| 800 | 24 x Φ33 | 950 | 876 | 12 |
| 900 | 28 x Φ33 | 1050 | 976 | 12 |
| 1000 | 28 x Φ33 | 1160 | 1080 | 12 |
| DN | D mm | b mm | d3 mm | f mm |
|---|---|---|---|---|
| 50 | 165 | 19.0 | 99 | 3 |
| 65 | 185 | 19.0 | 118 | 3 |
| 80 | 200 | 19.0 | 132 | 3 |
| 100 | 220 | 19.0 | 156 | 3 |
| 150 | 285 | 19.0 | 211 | 3 |
| 200 | 340 | 20.0 | 266 | 3 |
| 250 | 405 | 22.0 | 319 | 3 |
| 300 | 460 | 24.5 | 370 | 4 |
| 400 | 580 | 28.0 | 480 | 4 |
| 450 | 640 | 30.0 | 530 | 4 |
| 500 | 715 | 31.5 | 582 | 4 |
| 600 | 840 | 36.0 | 682 | 5 |
| 700 | 910 | 39.5 | 794 | 5 |
| 800 | 1025 | 43.0 | 901 | 5 |
| 900 | 1125 | 46.5 | 1001 | 5 |
| 1000 | 1255 | 50.0 | 1112 | 5 |
| DN | n x d1 mm | d mm | d2 mm | r mm |
|---|---|---|---|---|
| 50 | 4 x Φ18 | 125 | 84 | 5 |
| 65 | 4 x Φ18 | 145 | 104 | 6 |
| 80 | 8 x Φ18 | 160 | 120 | 6 |
| 100 | 8 x Φ18 | 180 | 140 | 6 |
| 150 | 8 x Φ22 | 240 | 190 | 8 |
| 200 | 12 x Φ22 | 295 | 246 | 8 |
| 250 | 12 x Φ26 | 355 | 296 | 10 |
| 300 | 12 x Φ26 | 410 | 350 | 10 |
| 400 | 16 x Φ26 | 525 | 458 | 10 |
| 450 | 20 x Φ26 | 585 | 516 | 12 |
| 500 | 20 x Φ33 | 650 | 576 | 12 |
| 600 | 20 x Φ33 | 770 | 690 | 12 |
| 700 | 24 x Φ33 | 840 | 760 | 12 |
| 800 | 24 x Φ39 | 950 | 862 | 12 |
| 900 | 28 x Φ39 | 1050 | 962 | 12 |
| 1000 | 28 x Φ39 | 1170 | 1076 | 15 |