Categories
- Support & Resources (31)
- Pipes & Fittings (35)
- Valves & Pumps (70)
- Instruments & Tools (23)
- Equipment, Chemicals & Consumables (25)
Metalsin’s SANS/SABS 664 non-rising stem (NRS) socket end gate valves are engineered for reliability, durability, and ease of installation in a wide range of water and fluid distribution systems. Designed to meet international standards, these valves are an excellent choice for municipal waterworks.

SANS/SABS 664 ductile iron NRS socket end gate valves.
The valve body and bonnet are crafted from high-quality ductile iron, ensuring strength and long-term performance. Both the interior and exterior surfaces are coated with fusion-bonded epoxy (FBE), providing excellent corrosion resistance and protection against wear.
These gate valves feature precision-engineered socket ends that are compatible with uPVC pipes of pressure classes 4, 6, 9, 12, or 16 in accordance with SANS 966-1. The socket ends are concentrically aligned with the valve passage bore and have smooth, obstruction-free interiors, ensuring uninterrupted fluid flow and minimizing pressure loss. The end faces are perfectly squared to the axis of the valve bore, providing a tight, leak-free connection with uPVC piping.
The socket end design offers several advantages:
Each valve is equipped with two sturdy support feet flanking the gate, allowing stable installation and easy alignment. The resilient seal design ensures reliable closure, with EPDM sealing material compressing between the gate and valve body to achieve a tight seal that recovers its original shape after each cycle. Pressure socket seals conform to SANS 4633, ensuring dependable long-term sealing performance.

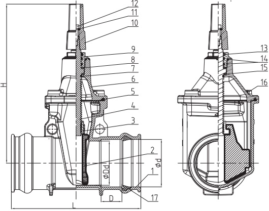
The typical drawing of SANS/SABS 664 socket end NRS gate valves: Non-rising spindle design for compact installation; Operable via T-key and stem cap or handwheel, providing flexible handling options; Designed for a working pressure of PN16 and a temperature range from 0°C to 100°C
| Part No. | Part Name | Material Spec. |
|---|---|---|
| 1 | Valve Body | EN-GJS-450-10 |
| 2 | Wedge Disc | EN-GJS-450-10+EPDM |
| 3 | Wedge Nut | Brass CW614N |
| 4 | Stem | SS 420, SS 304 |
| 5 | Bonnet Gasket | EPDM/NBR |
| 6 | Bonnet | EN-GJS-450-10 |
| 7 | O-Ring | NRB/EPDM |
| 8 | Washer | PTFE |
| 9 | Locknut | Brass CW614N |
| 10 | Stem Cap | EN-GJS-450-10 |
| 11 | Flat Washer | SS 304, SS 316 |
| 12 | Bolt | SS 304, SS 316 |
| 13 | Ring Wiper | EPDM/NBR |
| 14 | O-Ring | NBR/EPDM |
| 15 | Washer | Brass CW614N |
| 16 | Bolt | A2, SS 304 |
| 17 | Seal Ring | NBR/EPDM |
| DN | uPVC OD | L mm | H mm |
|---|---|---|---|
| 50 | 63 | 250 | 280 |
| 65 | 75 | 270 | 318 |
| 80 | 90 | 280 | 348 |
| 100 | 110 | 300 | 372 |
| 150 | 160 | 350 | 472 |
| 200 | 200 | 400 | 576 |
| 250 | 250 | 450 | 695 |
| 300 | 315 | 500 | 778 |
| DN | dmin mm | Dmin mm | Dd mm |
|---|---|---|---|
| 50 | 63.4 | 42 | 50 |
| 65 | 75.4 | 42 | 65 |
| 80 | 90.4 | 44 | 80 |
| 100 | 110.5 | 47 | 100 |
| 150 | 160.6 | 54 | 150 |
| 200 | 200.7 | 60 | 200 |
| 250 | 250.9 | 68 | 250 |
| 300 | 316.1 | 78 | 300 |
These socket end gate valves are ideal for water distribution networks, irrigation systems, industrial fluid lines, and any application requiring reliable flow control with uPVC piping. Their durable construction and precision-engineered socket ends make them particularly suited for systems where leak-free performance and easy installation are critical.