Categories
- Support & Resources (26)
- Pipes & Fittings (35)
- Valves & Pumps (70)
- Instruments & Tools (23)
- Equipment, Chemicals & Consumables (22)

Multi jet dry dial water meters made of cast iron with brass joint fittings and gaskets.
The Multi Jet Dry Dial Water Meter is a precision-engineered device designed for accurate and reliable water measurement across a wide flow range. Operating on the multi-jet principle, it evenly distributes water through multiple jets directed at the impeller, ensuring balanced hydraulic performance, reduced wear, and long-term stability. Its dry dial magnetic coupling design keeps the register sealed and fog-free, providing clear readings and protection against impurities for consistent accuracy over time.

Multi jet dry dial water meters made of brass and stainless steel.
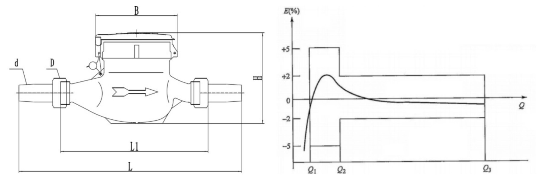
Available in stainless steel, carbon iron, and brass, the meter offers excellent durability, corrosion resistance, and cost efficiency for different installation environments. It features a simple structure, low head loss, and low straight pipe requirements, while meeting ISO 4064 / OIML R49 standards. With an accuracy of ±2% to ±5%, it supports horizontal or vertical installation and performs reliably under temperature classes T30, T50, T90 and pressure classes MAP10, MAP16.

Typical drawing of the multi jet dry-dial water meter and its Error Curve.
| DN | L1 | B | H |
|---|---|---|---|
| 15 | 165 | 96 | 106 |
| 20 | 190 | 96 | 107 |
| 25 | 225 | 101 | 114 |
| 32 | 230 | 101 | 114 |
| 40 | 300 | - | - |
| 50 | 300 | - | - |
| DN | d | D | W |
|---|---|---|---|
| 15 | R1/2 | G3/4B | 1.26 |
| 20 | R3/4 | G1B | 1.5 |
| 25 | R1 | G1 1/4B | 2.48 |
| 32 | R1 1/4 | G1 1/2B | 2.81 |
| 40 | - | - | 4.89 |
| 50 | - | - | 5.94 |
| DN | Q4 | Q3 | Q2 of R80 | Q2 of R100 | Q2 of R125 | Q2 of R160 | Q1 of R80 | Q1 of R100 | Q1 of R125 | Q1 of R160 | Rmin. | Rmax. |
|---|---|---|---|---|---|---|---|---|---|---|---|---|
| 15 | 3.125 | 2.5 | 0.05 | 0.04 | 0.032 | 0.025 | 0.032 | 0.025 | 0.02 | 0.016 | 0.00005 | 99999 |
| 20 | 5 | 4 | 0.08 | 0.064 | 0.05 | 0.04 | 0.05 | 0.04 | 0.032 | 0.025 | 0.00005 | 99999 |
| 25 | 7.875 | 6.3 | 0.126 | 0.1 | 0.08 | 0.063 | 0.08 | 0.063 | 0.5 | 0.4 | 0.00005 | 99999 |
| 32 | 12.5 | 10 | 0.2 | 0.16 | 0.125 | 0.1 | 0.125 | 0.1 | 0.08 | 0.063 | 0.00005 | 99999 |
| 40 | 20 | 16 | 0.32 | 0.256 | 0.2048 | 0.16 | 0.2 | 0.16 | 0.128 | 0.1 | 0.00005 | 99999 |
| 50 | 31.25 | 25 | 0.5 | 0.4 | 0.32 | 0.25 | 0.3125 | 0.25 | 0.2 | 0.156 | 0.00005 | 99999 |
Designed for the era of smart water management, the Multi Jet Dry Dial Water Meter supports a wide range of communication and remote reading options, including pulse output, RS485 Modbus, wired remote, pulse splitter, digital display, LoRa, and NB-IoT. Ideal for residential, commercial, and light industrial applications, it combines high precision, durability, and intelligent connectivity, offering a cost-effective and efficient solution for modern water metering systems.